Gidroklapan MKPV-32 / 3S3R1 G24

Artikul: G102 Sotuvda mavjud
1 000 000 so'm / dona
  • To'lov: Pul o'tkazish
  • Yetkazib berish: Tezkor yetkazib berish, Standart yetkazib berish, Bepul yetkazib berish
Tavsifi

MKПВ 32/3 С3Р1 — bu yuqori bosimli gidravlik tizimlar uchun mo‘ljallangan elektromagnitli boshqaruvga ega bosimni saqlovchi klapan bo‘lib, tizimni ortiqcha yuklama va bosimdan himoya qiladi hamda uzoqdan turib bosimni tushirish imkonini beradi.

Ushbu model quyidagi sohalarda keng qo‘llaniladi:

  • presslar va sanoat stanoklari,

  • quyma mashinalar,

  • mobil texnika,

  • har qanday og‘ir sanoat gidravlika tizimlari.

Texnik xususiyatlari:

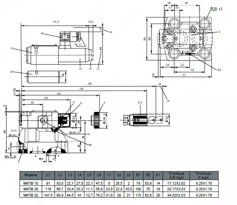
  • Shartli o‘tish diametri (Dу): 32 mm

  • Kiruvchi bosim (P): 32 MPa gacha

  • Sozlash diapazoni: 1 – 10 MPa

  • O‘rnatish turi: stikovka (С)

  • Boshqaruv turi: elektromagnitli (3 – normal holatda bosim chiqarilgan)

  • Sozlash turi: qo‘lda (R – ruletka bilan)

  • Elektromagnit kuchlanishi: G24 — doimiy 24V tok

  • Oqim miqdori: 320 l/min gacha

  • Og‘irligi: taxminan 6,15 kg

Klapan bilan birga o‘rnatish boltlari yetkaziladi. O‘rnatish uchun yon yoki pastki kirishga ega gidravlik plita talab qilinadi. Boshqaruv uchun qo‘shimcha VE6 elektromagnitli pilot va Du6 g‘altakni alohida xarid qilish mumkin.

Afzalliklari:

  • Masofadan boshqarish orqali bosimni tushurish;

  • Doimiy bosimni saqlab turish;

  • Yuqori ishonchlilik va chidamlilik;

  • Oson sozlash va ekspluatatsiya;

  • Mustahkam metall korpus va uzoq xizmat muddati.

MKПВ 32/3 С3Р1 — bu texnologik jihatdan rivojlangan, sanoat darajasidagi ishonchli gidroklapan bo‘lib, ortiqcha yuklamalardan himoya qiladi va tizimni uzoq muddatda barqaror ishlashini ta’minlaydi.

 

Bizning kompaniyamiz orqali MKПВ klapanlarini rasmiy kafolat, texnik hujjatlar va O‘zbekiston bo‘ylab yetkazib berish bilan xarid qilishingiz mumkin.

To'lov
Pul o'tkazish

Hisob raqamiga pul o'tkazish yo'li bilan to'lov qabul qilish

Yetkazib berish
Tezkor yetkazib berish

Tezkor yetkazib berish

  • Yetkazib berish narxi

    Bepul

  • Yetkazib berish hududi

    O'zbekiston: barcha hududlar

Standart yetkazib berish

Standart yetkazib berish

  • Yetkazib berish narxi

    Bepul

  • Yetkazib berish hududi

    O'zbekiston: barcha hududlar

Bepul yetkazib berish

Bepul yetkazib berish

  • Yetkazib berish narxi

    Bepul

  • Yetkazib berish hududi

    O'zbekiston: barcha hududlar

Glotr-b Glotr-b w1
0 0
Natija (0) Barcha mahsulotlar