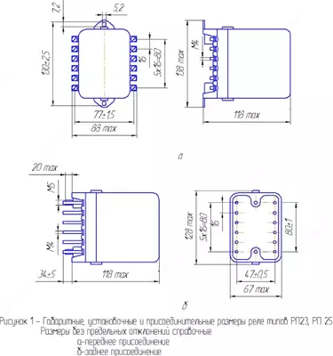
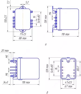
Реле промежуточное
Фильтры
Рекомендуем
Частотный преобразователь ABB D8T ACS880-304-0570А- 7+А018+С183 + 1xR8i ACS880-104- 0500A-7+C183+E205+P922
Под заказ
от 1 584 800 000 сум