Полимерные изоляторы ЛК 70/35: стержневые подвесные на 35 кВ

Артикул: I1011 В наличии
120 000 сум / шт
  • Оплата: Перечислением
  • Доставка: Быстрая доставка, Стандартная доставка, Бесплатная доставка
Описание

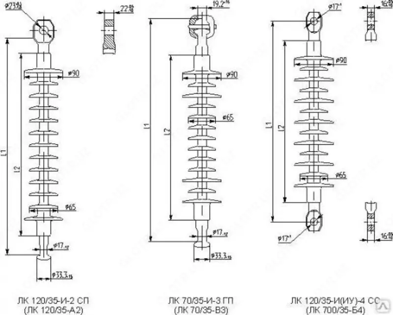
Полимерные линейные стержневые изоляторы ЛК 70/35 представляют собой цельнолитые изделия из кремнийорганического полимера, предназначенные для работы в воздушных линиях электропередач напряжением до 35 кВ (максимальное – 40,5 кВ). Они изготовлены по ГОСТ 28856 и выпускаются в модификациях ЛК 70/35‑III‑СП, ‑ГП, ‑ГС, ‑СС — каждая адаптирована к различным климатическим и загрязняющим условиям.

Механическая разрушающая нагрузка на растяжение составляет 70 кН, что позволяет безопасно удерживать провода и грозозащитные тросы. Строительная длина изолятора варьируется от 595 мм (СП‑модификация) до 626 мм, а изоляционный промежуток – от 410 до 441 мм. Длина пути утечки составляет 1160–1280 мм, что обеспечивает надежную работу даже в условиях загрязнения. Сопротивление промышленной частоты: в сухом — 160 кВ, под дождем — 130 кВ, грозового импульса — 260 кВ.

Основой изделия служит армированный стеклопластиковый стержень, покрытый гидрофобным и трекингостойким кремнийорганическим покрытием, что исключает образование токонесущих дорожек. В своей основе этот материал легче и более ударопрочен, чем стекло или фарфор. Металлизированные оконцеватели защищены методом термодиффузионного цинкования (глубина покрытия до 80 мкм), что обеспечивает высокую антикоррозионную устойчивость даже после повреждения внешней оболочки.

Изоляторы ЛК могут использоваться как в поддерживающих, так и в натяжных подвесках, соответствуют загрязненности атмосферы I–IV по ГОСТ 9920, и подходят для эксплуатации при температурах от −60 °C до +50 °C. Установка производится на стандартные монтажные элементы (СП, ГП, ГС, СС оконцеватели).

Полимерные ЛК 70/35 — современный, легкий, надежный и высокоэффективный выбор для ЛЭП 35 кВ, снижая вес конструкций, упрощая транспорт и монтаж, а также обеспечивая долговечность и устойчивость даже в агрессивных условиях. Широко применяются в СНГ и Узбекистан

Оплата
Перечислением

Прием платежей в безналичной форме путем перевода денежных средств на расчетный счет

Доставка
Быстрая доставка

Быстрая доставка

  • Стоимость доставки

    Бесплатно

  • Регионы доставки

    Узбекистан: все регионы

Стандартная доставка

Стандартная доставка

  • Стоимость доставки

    Бесплатно

  • Регионы доставки

    Узбекистан: все регионы

Бесплатная доставка

Бесплатная доставка

  • Стоимость доставки

    Бесплатно

  • Регионы доставки

    Узбекистан: все регионы

Glotr-b Glotr-b w1
0 0
Результаты (0) Все товары